Volatile Memory

Volatile Memory

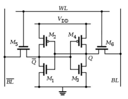
Static RAM (SRAM) #

  • Based on Flip Flops
  • Fast but expensive -> used for caches

Dynamic RAM (DRAM) #

  • charge strored in capacitor
  • requires periodic refreshing
  • read destroys information
  • Used for main memory

Synchronous DRAM (SDRAM) #

  • All signals are combined with a fixed clock cycle
  • Double Data Rate “DDR”: Transmission on rising and falling edge
  • Since requesting data and data being able to be read are not instantanious, you can already queue up data reads while other data is being read
Calendar October 22, 2023